2. 山东省海洋环境地质工程重点实验室,山东 青岛 266100
近些年来,海水入侵已成为滨海地区的一种重大地质灾害现象,是制约滨海地区社会经济发展的重要因素之一[1]。目前,人工回灌技术是防治海水入侵的有效措施之一[2-3],但是在人工回灌过程中,地下水化学条件的快速变化,会引起含水介质中的原位黏土颗粒释放[4-5],释放后的黏土胶体在多孔介质中运移时发生絮凝沉积,是导致孔隙被堵塞、含水介质渗透性下降的直接原因[6-8]。
已有的研究主要集中在外源悬浮物浓度和粒径对多孔介质的影响,比如戴传山等[9]和赵婧彤等[10]的研究认为,当悬浮颗粒浓度在100~300 mg/L范围内,悬浮颗粒在介质中的迁移量随着悬浮物浓度的增加而减小,且介质堵塞速率随着悬浮物浓度的增加而加快;雷海燕等[11]在开展微小颗粒在介质中渗流实验中发现,当微小颗粒粒径与含水介质粒径的比值较大时,微小颗粒被截留下来,产生“筛滤作用”,使得颗粒在介质内部的沉积量与界面处沉积量的差值随着浓度的增大而增大。在人工回灌过程中,许多因素如孔喉大小、悬浮物浓度、粒径、水化学条件和水动力条件都会引起含水层堵塞,黏土胶体的絮凝过程也经常和其他因素交织在一起。目前对于滨海咸淡水交替过程中,黏土胶体的单一絮凝行为造成的含水层堵塞,其发生机制仍不清楚。
本文选取海水入侵较为严重的大沽河下游作为研究区,该区域含水层释放出的黏土主要有高岭土、伊利土和蒙脱土[12]。首先通过静水絮凝沉降试验,弄清高岭土胶体的静水絮凝沉降规律和絮凝时间,并通过扫描电子显微镜观察高岭土胶体絮凝的微观形态;在此基础上,借助砂柱试验进一步分析多孔介质中高岭土黏土胶体的动水絮凝行为对介质渗透性的影响,为预防滨海含水层堵塞提供一定的科学理论依据。
1 材料和方法 1.1 实验材料 1.1.1 实验药品实验中所用药品(氯化钠、过氧化氢、盐酸和氢氧化钠)均购于国药集团化学试剂有限公司,均为分析纯。
1.1.2 黏土矿物预处理加入适量的过氧化氢溶液(浓度为6%)浸泡干粉24 h,去除样品中的有机质;超声3 h后静置1 h,取上清液在5 000 r/min下离心30 min,收集底部沉积物,在105 ℃条件下烘干,并密封保存。
1.1.3 无胶体砂预处理青岛市大沽河下游高家庄受海水入侵危害的潜水含水层属于砂质含水层,厚度为6.5 m,由粗砂、中粗砂组成,平均粒径为0.68 mm。为了消除颗粒的级配系数对试验的影响,通过筛分法选取了颗粒均匀、粒径为0.5~1 mm的石英砂来模拟实际含水层。由于砂样中含有少量的黏土和有机成分,所以需要进行预处理。将石英砂清洗干净,然后分别用0.5 mol/L HNO3和0.5 mol/L NaOH溶液浸泡2 h以去除石英砂表面吸附的少许有机杂质,再反复冲洗石英砂直至pH达到中性,并在105 ℃条件下烘干。
1.2 实验方法 1.2.1 静水絮凝实验配置不同Na+离子强度条件下、浓度为1 g/L的高岭土悬浮液,置于沉降筒中静置沉降。沉降筒长度为24 cm,参照李学凯关于沉降距离对含沙量变化的研究成果[13],取样点设置在液面下2、10和18 cm处。时间间隔为5、15和30 min,利用紫外可见分光光度计在波长为680 nm处测得吸光度,并根据浊度与吸光度的标准曲线,得出相应时刻的浊度。相对浊度为在同一个取样深度处,t时刻的溶液浊度与初始时刻溶液浊度的比值。本文选取溶液中部相对浊度变化代表整个溶液的浊度变化情况。
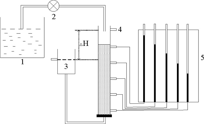
1.2.2 砂柱实验砂柱实验装置主要包括有机玻璃柱、定水头装置、测压板、蠕动泵和硅胶管等,实验装置如图 1所示。采用湿法装柱将经过预处理的石英砂分层装入有机玻璃柱中,之后从砂柱上部通入去离子水,使其达到饱和。在选定的水化学条件下,直至流出口处溶液的电导率与进水口处电导率一致;之后通入该离子强度条件下,高岭土浓度为1 g/L的悬浮液,每间隔1 h记录测压板读数,通过达西定律计算砂柱整体(0~24 cm)和局部(砂柱分成四段,分别距离进水口0~6 cm、6~12 cm、12~18 cm、18~24 cm)相对渗透系数,判断砂柱的堵塞程度和渗透性空间变化特征。砂柱试验中,在其他实验条件相同的前提下,采用去离子水作为空白对照组,来探究不同离子强度条件下高岭土胶体絮凝对砂柱渗透性的影响。
|
( 1.黏土胶体悬浮液;2.蠕动泵;3.定水头装置;4.溢流口;5.测压板。1.Clay particle suspension; 2.Peristaltic pump; 3.Fixed head device; 4.Overflow port; 5.Pressure measuring tube. ) 图 1 实验装置图 Fig. 1 Experimental device diagram |
称取一定质量的含水介质粉末(石英砂)和高岭土黏土胶体,将其溶于一定离子强度的NaCl溶液中,搅拌均匀,超声30 min,使其分散均匀。室温(25.0±0.5) ℃条件下,利用Zetasizer Nano电位仪测量Zeta电位,记录数据,做三次平行实验,求平均值,结果如表 1所示。
|
|
表 1 高岭土胶体和石英砂的Zeta电位值 Table 1 Zeta potential of kaolin colloid and quartz powder |
DLVO理论计算高岭土胶体间以及高岭土-介质间的范德华引力和静电斥力的方法[12]如下:
总相互作用能计算公式:
| $ {\rm{\Delta }}{G_{{\rm{tot}}}} = {\rm{\Delta }}{G_{{\rm{vdw}}}} + {\rm{\Delta }}{G_{{\rm{el}}}}。$ | (1) |
式中:ΔGvdw为范德华引力,J;ΔGel为静电斥力,J。
范德华引力计算公式:
| $ {\rm{\Delta }}{G_{{\rm{vdw}}}}{\rm{ = }} - \frac{{{\rm{A}}R}}{{6h}}\left[ {1 - \frac{{5.32h}}{{{\lambda _0}}}\ln \left( {1 + \frac{{{\lambda _0}}}{{5.32h}}} \right)} \right]。$ | (2) |
式中:A为Hamker常数; h为胶体间距离,nm; λ0为特征波长,nm; R为颗粒半径,nm。
胶体间静电斥力计算公式:
| $ \Delta {G_{{\rm{el1}}}} = 64{\rm{ \mathsf{ π} }}\varepsilon R{\left( {\frac{{{\rm{K}}T}}{{ze}}} \right)^2}{\left[ {\tanh \left( {\frac{{ze{\psi _{0,1}}}}{{4{\rm{K}}T}}} \right)} \right]^2}{{\rm{e}}^{ - \kappa h}}。$ | (3) |
胶体与介质间静电斥力计算公式:
| $ \begin{array}{*{20}{c}} {\Delta {G_{{\rm{el2}}}} = 64{\rm{ \mathsf{ π} }}\varepsilon R{{\left( {\frac{{{\rm{K}}T}}{{ze}}} \right)}^2}。}\\ {\left[ {\tan h\left( {\frac{{ze{\psi _{0,1}}}}{{4{\rm{K}}T}}} \right)} \right]\left[ {\tan h\left( {\frac{{ze{\psi _{0,2}}}}{{4{\rm{K}}T}}} \right)} \right]{{\rm{e}}^{ - \kappa h}}。} \end{array} $ | (4) |
式中:ε为介电常数; K为玻尔兹曼常数; T为热力学温度,K; z为阳离子价态; e为电荷; ψ为zeta电位值,v; κ为迪拜长度倒数。
2 结果与讨论 2.1 高岭土胶体静水絮凝不同离子强度(20、50、90和110 mmol/L)条件下高岭土黏土胶体静水絮凝过程中溶液浊度(溶液深度2、10和18 cm)随时间变化曲线以及高岭土胶体间相互作用能曲线见图 2。图 2(a)显示,离子强度对高岭土黏土胶体絮凝有明显影响。NaCl溶液的离子强度愈低,黏土胶体的絮凝过程愈慢。当钠离子强度为20 mmol/L时,在15 min时高岭土胶体溶液出现分层,其中分层现象在90 min时最为明显,液面下2、10和18 cm处溶液浊度分别为0.35、0.79和0.87。随着时间的延长,溶液分层现象逐渐减弱,直至420 min时,溶液不同深度处浊度仍没有达到完全一致,说明在此条件下,高岭土胶体的絮凝过程较缓慢。通过计算发现,此时高岭土胶体间总相互作用能大于0,说明胶体间静电斥力占优势,且斥力能障最大,达到了8.48×10-18 J,即胶体间不容易发生絮凝;而当Na+离子强度增加至110 mmol/L时,黏土胶体溶液不同深处的浊度在很短时间内就已基本一致,几乎没有出现分层现象,此时高岭土胶体间的总相互作用能小于0,即范德华引力占优势且无法形成斥力能障,此时胶体间容易发生絮凝而快速聚沉。李学凯[13]探究硫酸钾对泥沙絮凝过程影响时也存在相似的现象。当硫酸钾浓度较低时,随着时间的增加,泥沙量在空间上分布呈现随着沉降距离的增加而增加的规律,说明泥沙在絮凝过程中同样会出现分层现象;而电解质浓度的增加,对泥沙颗粒间絮凝产生更强的促进作用,分层现象随之逐渐减弱,不同深度处的泥沙量分布较均匀。
|
图 2 高岭土胶体溶液浊度随时间变化曲线图(a)和高岭土胶体相互作用能曲线图(b) Fig. 2 The turbidity curve of kaolin colloid solution with time(a) and the interaction energy curve of kaolin colloid(b) |
由图 2可见,不同深度处高岭土胶体溶液的相对浊度随时间的变化存在不一样的函数关系,上层溶液(液面下2 cm处)的相对浊度符合对数函数y=-Alnx+B形式,中部(液面下10 cm处)和底部(液面下18 cm处)溶液的相对浊度随时间变化曲线符合指数函数y=Ce-Dx,原因是胶体溶液上层发生的是单颗粒间的团聚絮凝,中下层出现的是网状的絮团团聚[14]。下层高岭土悬浊液干燥后的扫描电子显微镜照片证实了上述结论(见图 3),其中,参数D越大,溶液相对浊度随时间的变化率越大。
|
图 3 悬浊液干燥后的高岭土扫描电镜图 Fig. 3 The SEM image of kaolin after drying of suspension |
不同离子强度条件下高岭土胶体的静水絮凝时间见表 2。当离子强度从20 mmol/L增加至110 mmol/L时,絮凝时间从470 min减少至150 min;通过静水絮凝实验可知不同离子强度条件下高岭土胶体的静水絮凝时间,进而调控动水条件下高岭土胶体在砂柱中的絮凝沉降。
|
|
表 2 高岭土黏土胶体静水絮凝时间 Table 2 Flocculation time of kaolin clay colloid in static water |
不同离子强度条件下,高岭土胶体絮凝对砂柱渗透性的影响结果如图 4(a)所示。当Na+离子强度为5 mmol/L时,15 h后砂柱渗透系数下降至原来的82%;与之相对应,静水絮凝试验结果显示,相同浓度的高岭土胶体溶液非常稳定,因而可以认为此时高岭土在多孔介质中没有发生絮凝,砂柱的渗透性降低是由于多孔介质孔吼截获高岭土胶体所致。随着离子强度的增加,多孔介质渗透系数下降速率明显加快。当Na+离子强度为20 mmol/L时,15 h后相对渗透系数降到了22%左右;当离子强度增加为110 mmol/L时,仅需7 h相对渗透系数就已降到20%。冶雪艳等[15]也认为高离子强度条件下,会加快胶体间的团聚,并提出在预防堵塞时应采取降低水体的离子强度。
|
图 4 多孔介质渗透系数随时间变化曲线图(a)和高岭土胶体-介质间相互作用能曲线图(b) Fig. 4 The change curve of permeability coefficient of porous media with time(a) and the interaction energy curve between kaolin colloid and medium (b) |
图 4(b)为不同离子强度条件下,高岭土胶体与多孔介质之间的总相互作用能曲线图。离子强度为20 mmol/L时,高岭土胶体和介质之间的静电斥力占优势,且胶体间的斥力能障为4.36×10-18 J,胶体与介质间不容易发生吸附作用,多孔介质渗透系数下降也较为缓慢;随着离子强度的增加,胶体与介质间总相互作用能由正值降低为负值,即两者间的静电斥力占优势逐渐转变为范德华引力占优势,且斥力能障逐渐减小。当离子强度增加至90和110 mmol/L时,胶体和介质之间的总相互作用能为负值,即两者间作用力主要是范德华引力且无法形成斥力能障,高岭土胶体与介质间的吸附作用力增强,导致胶体在介质表面的吸附量增加[16],引起多孔介质渗透性在短时间内快速降低,造成含水层堵塞。
由表 3可见,砂柱的渗透性降低符合指数函数关系Y=C′e-D′X, 参数D′代表介质堵塞速率,即D′越大,相同时间内介质渗透性的下降幅度越大。在高岭土胶体静水絮凝过程中,D代表溶液相对浊度的下降速率,D越大,说明溶液浊度下降越快。虽然砂柱渗透性和浊度的时间变化曲线非常相似,且都符合指数关系,但D′明显小于D,原因可能是多孔介质的存在阻碍了黏土胶体间的接触,加上渗流场中水流所产生的剪切力,不利于高岭土胶体在多孔介质中发生絮凝[17],导致高岭土絮凝过程较缓慢,宏观表现是砂柱渗透系数的降低需要更长的时间。随着溶液离子强度的增加,参数D和D′都明显增大。静水絮凝实验中,离子强度增加时,高岭土絮凝所需时间明显缩短;同样地,动水絮凝实验中,多孔介质渗透性空间变化特征与静水絮凝过程中溶液浊度空间分布特征类似(见表 4),即砂柱表层渗透性随时间变化符合对数函数,砂柱中部和下部渗透性变化符合指数函数。这进一步说明了多孔介质的渗透性递减主要是由于高岭土絮凝行为所致。
|
|
表 3 溶液相对浊度和多孔介质相对渗透系数随时间变化的函数关系式 Table 3 The functional relation of the relative turbidity of the solution and the porous of relative permeability with time |
|
|
表 4 砂柱各段相对渗透系数随时间变化的函数关系式 Table 4 The function relation of relative permeability coefficient with time in each section of sand colums |
针对青岛市大沽河下游高家庄潜水含水层,通过静水絮凝试验研究了高岭土的胶体静水絮凝过程,确定不同离子强度条件的静水絮凝时间;在此基础上开展了室内砂柱模拟试验,探究了多孔介质中高岭土胶体动水絮凝行为对介质堵塞的影响规律,得出如下结论:
(1) 高岭土胶体静水絮凝过程中,胶体溶液上层发生的是单颗粒间的团聚絮凝,上层溶液的相对浊度变化曲线符合对数函数;中下层出现的是网状的絮团团聚,中部和底部溶液的相对浊度随时间变化曲线符合指数函数。
(2) 多孔介质中高岭土胶体的絮凝行为对介质渗透性具有显著影响。砂柱渗透性降低变化曲线与高岭土胶体静水絮凝过程中溶液浊度的变化曲线非常相似,符合指数函数关系Y=C′e-D′X,参数D′代表含水介质的堵塞速率,D′愈大,含水介质渗透性的下降速率愈快。
(3) 高岭土胶体在多孔介质中的絮凝过程相对于静水条件下更缓慢,即多孔介质渗透性下降速率滞后于高岭土胶体的静水絮凝速率。原因可能是多孔介质的存在阻碍了黏土胶体间的接触,加上渗流场中水流所产生的剪切力,导致高岭土胶体在多孔介质中絮凝过程变慢。
| [1] |
林国庆. 咸淡水过渡带渗透性突变的机理与效应研究[D]. 青岛: 中国海洋大学, 2006. LIN Guo-Qing. Mechanism and Application of Abtupt Changes of Hydraulic Conductivity on the Seawater-Freshwater Interface[D]. Qingdao: Ocean University of China, 2006. ( 0) |
| [2] |
高茂生, 骆永明. 我国重点海岸带地下水资源问题与海水入侵防控[J]. 中国科学院院刊, 2016, 31(10): 1197-1203. GAO Mao-Sheng, LUO Yong-Ming. Change of groundwater resource and prevention and control of seawater intrusion in coastal zone[J]. Bulletin of Chinese Academy of Sciences, 2016, 31(10): 1197-1203. ( 0) |
| [3] |
Wang H, Xin J, Zheng X, et al. Clogging evolution in porous media under the coexistence of suspended particles and bacteria: Insights into the mechanisms and implications for groundwater recharge[J]. Journal of Hydrology, 2020, 582: 124554. DOI:10.1016/j.jhydrol.2020.124554 ( 0) |
| [4] |
Torkzaban S, Bradford S A, Vanderzalm J L, et al. Colloid release and clogging in porous media: Effects of solution ionic strength and flow velocity[J]. Journal of Contaminant Hydrology, 2015, 181: 161-171. DOI:10.1016/j.jconhyd.2015.06.005 ( 0) |
| [5] |
Zhou J, Liu D, Zhang W, et al. Colloid characterization and in situ release in shallow groundwater under different hydrogeology conditions[J]. Environmental Science and Pollution Research, 2017, 24(16): 14445-14454. DOI:10.1007/s11356-017-8856-1 ( 0) |
| [6] |
丁吉东. 分散胶体颗粒动水絮凝导致滨地层损害的影响机制[D]. 青岛: 中国海洋大学, 2012. DING Ji-Dong. Response of Mobile Colloidal Particles' Flocculation to Formation Damage in Coastal area[D]. Qingdao: Ocean University of China, 2012. ( 0) |
| [7] |
Liu X, Jiang X, Liu J, et al. The effect of the injection salinity and clay composition on aquifer permeability[J]. Applied Thermal Engineering, 2017, 118: 551-560. DOI:10.1016/j.applthermaleng.2017.02.098 ( 0) |
| [8] |
Xie Y, Wang Y, Huo M, et al. Risk of physical clogging induced by low-density suspended particles during managed aquifer recharge with reclaimed water: Evidences from laboratory experiments and numerical modeling[J]. Environmental Research, 2020, 186: 109527. DOI:10.1016/j.envres.2020.109527 ( 0) |
| [9] |
戴传山, 祁芸芝, 雷海燕, 等. 悬浮微小颗粒对多孔介质渗流特性影响的实验研究[J]. 水文地质工程地质, 2016, 43(6): 1-6. DAI Chuan-Shan, QI Yun-Zhi, LEI Hai-Yan, et al. Doposition effect of suspend microparticle on the local permeability in porous media[J]. Hydrogeology & Engineering Geology, 2016, 43(6): 1-6. ( 0) |
| [10] |
赵婧彤, 冶雪艳, 杜新强, 等. 不同浓度悬浮物颗粒在多孔介质中迁移特性研究[J]. 水利水电技术, 2019, 50(10): 25-31. ZHAO Jing-Tong, YE Xue-Yan, DU Xin-Qiang, et al. Study on the migration characteristics of suspended particlec in porous media during different concentration of suspension[J]. Water Resources and Hydropower Engineering, 2019, 50(10): 25-31. ( 0) |
| [11] |
雷海燕, 崔明杰, 戴传山, 等. 微小颗粒在多孔介质中运移的实验研究[J]. 中国科学院大学学报, 2017, 34(2): 251-258. LEI Hai-Yan, CUI Ming-Jie, DAI Chuan-Shan, et al. Experimental study of migration of micro particles in porous media[J]. Journal of University of Chinese Academy of Sciences, 2017, 34(2): 251-258. ( 0) |
| [12] |
Zhou J, You X, Niu B, et al. The flocculation process of released clay particles and its effect on the permeability of porous media[J]. Hydrogeology Journal, 2019, 27(5): 1827-1835. DOI:10.1007/s10040-019-01949-6 ( 0) |
| [13] |
李学凯. 肥料对细颗粒泥沙絮凝沉降的影响[D]. 咸阳: 西北农林科技大学, 2019. LI Xue-Kai. Effect of Fertilizer on Flocculation and Settlement of Fine Sediment[D]. Xianyang: North West Agriculture and Forestry University, 2019. ( 0) |
| [14] |
许兵. 黄河高浊度水絮凝机理探索[D]. 西安: 西安建筑科技大学, 2003. XU Bing. The Explore of Mechanism of Flocculation of the Huanghe River High Turbidity Water[D]. Xi'an: Xi'an University of Architecture and Technology, 2003. ( 0) |
| [15] |
冶雪艳, 杜新强, 张赫轩, 等. 回灌过程中离子强度和水流流速对胶体粒子在多孔介质中堵塞的影响[J]. 化工学报, 2017, 68(12): 4793-4801. YE Xue-Yan, DU Xin-Qiang, ZHANG He-Xuan, et al. Effects of solution ionic strength and flow velocity on colloid clogging in saturated porous media during artificial recharge[J]. Journal of Chemical Engineering, 2017, 68(12): 4793-4801. ( 0) |
| [16] |
杨乐沛. 离子强度对胶体及As(Ⅲ)在饱和多孔介质中运移的影响[D]. 北京: 中国地质大学(北京), 2017. YANG Le-Pei. Effect of Ionic Strength on Transport of Colloid and As(Ⅲ) in Saturated Porous Media[D]. Beijing: China University of Geosciences(Beijing), 2017. ( 0) |
| [17] |
Wang Z, Nan J, Ji X, et al. Effect of the micro-flocculation stage on the flocculation/sedimentation process: The role of shear rate[J]. The Science of the Total Environment, 2018, 633: 1183-1191. ( 0) |
2. The Key Laboratory of Marine Environment and Geological Engineering of Shandong Province, Qingdao 266100, China
2022, Vol. 52


0)